NG 900/9-3 Power Steering Lines
Contents
Overview
Power steering fluid level should be checked at least every oil change, hoses and pipes about once per year. Leaks can develop at the pump, at crimp joints between hoses and pipes, at hose clamps, and rusted through pipes.
I noticed power steering fluid leaks by 100k miles. The first pressure line was rusted along the cooling section behind the bumper. It was also leaking from a crimp joint below the pump. The return line from the rack was cracked, and seeping oil. By 125k both pressure lines and the first return line had to be replaced. The pump was replaced soon after.
Power steering lines from the 9-3 model can be retrofited to the NG900. Pressure lines can be replaced with custom hoses at a lower cost, and with easier installation. Return lines can be replaced by generic hoses with the same inside diameter.
Components
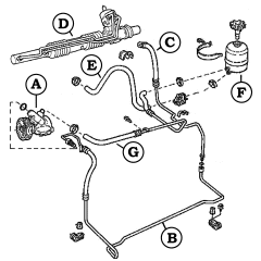
A - Pump
The power steering pump is at the front of the engine, below the air intake rubber elbow, mounted on a cast aluminum bracket. The pressure line is attached to the pump outlet by a hydraulic pipe fitting with an o-ring seal. The suction line is attached to the inlet using a hose clamp.
B - 1st Pressure Line
Hard line with M16x1.50 thread and o-ring seals and hose w. crimp joints. Runs down from the pump, comes out near the lower radiator hose and oil cooler lines, then across under the oil cooler and back into the engine compartment. The cooling line section was completely rusted on my car, and one crimp joint was leaking fluid.
C - 2nd Pressure Line
The connection to the first line is behind the left-hand headlight and below the battery. It is hard to reach and was rusted solid on my car. The line runs below the battery, and then up behind the reservoir and connects to a third hard line which leads to the steering rack.
E - Return Line
From the steering rack to the reservoir. The stock 10 mm (3/8") ID hose is too short and bent at a very sharp angle below the reservoir. That can cause cracks in the hose and leaks at the clamp. It can be replaced by a 3/8-inch hose from a part store, cut a few inches longer than the original to allow for wider radius bends and some slack.
F - Reservoir
The reservoir is attached to a bracket, and has different size plastic nipples for the two hoses. The plastic nipples are a bit large for the inside diameter of the hoses, and the bend radius of both hoses is very small. As a result it can be difficult to get the hoses in place and hose clamps tightened, and the small bend radius can contribute to cracks and leaks.
G - Suction Line
From the reservoir to the pump inlet. 16 mm (5/8) hose and hard pipe secured by hose clamps at both ends.






